Loading...

FZN25A-12D/T630-20型户内交流高压真空负荷开关

产品描述


概 述


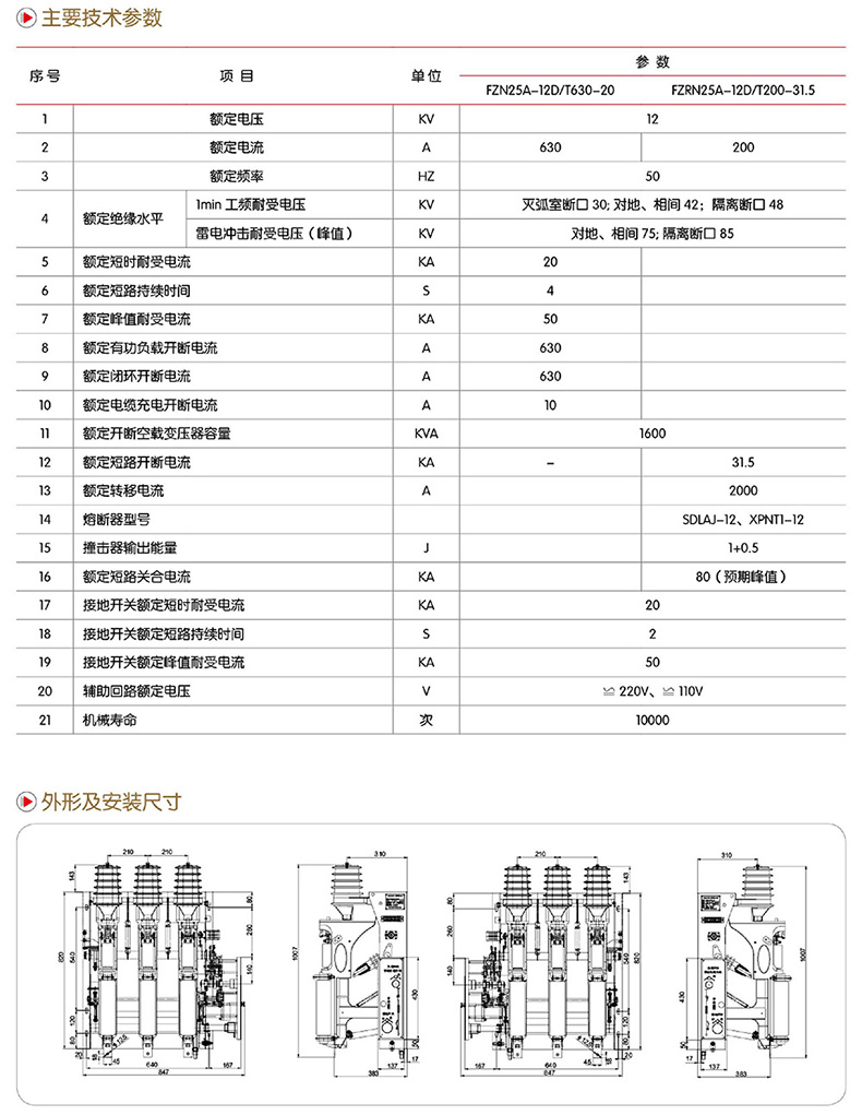
  FZN25A-12D/T630-20型户内交流高压真空负荷开关是三相交流50Hz、额定电压12KV的户内装置,适用于工矿企业配电所及变电站等场合,作为电气设施的保护和控制,用于分合负荷电流、闭环电流、空载变压器和电缆充电电流。
  配装具有关合短路电流能力的接地开关。
  操作机构可分为手动和电动,便于实现电力系统的三遥控要求。
  FZRN25A-12D/T200-31.5型户内交流高压真空负荷开关-熔断器组合电器是三相交流50Hz、额定电压12Kv的户内装置,适用于工矿企业配电所及变电站等场合,作负荷控制和短路保护之用。
  配装具有关合短路电流能力的接地开关。
  操作机构分手动或电动,便于实现电力系统的三遥控要求。

使用环境


1、周围空气温度:上限+40℃;下限-25℃(允许在-30℃时储运)
2、淘拔:1000m
3、空气相对湿度:日平均值不大于95%,月平均值不大于90%
4、地震烈度:不超过8度
5、周围空气不受腐蚀性或可燃性气体、水蒸气等明显污染
6、无经常性剧烈振动场所
7、污秽等级:Ⅱ级

型号含义