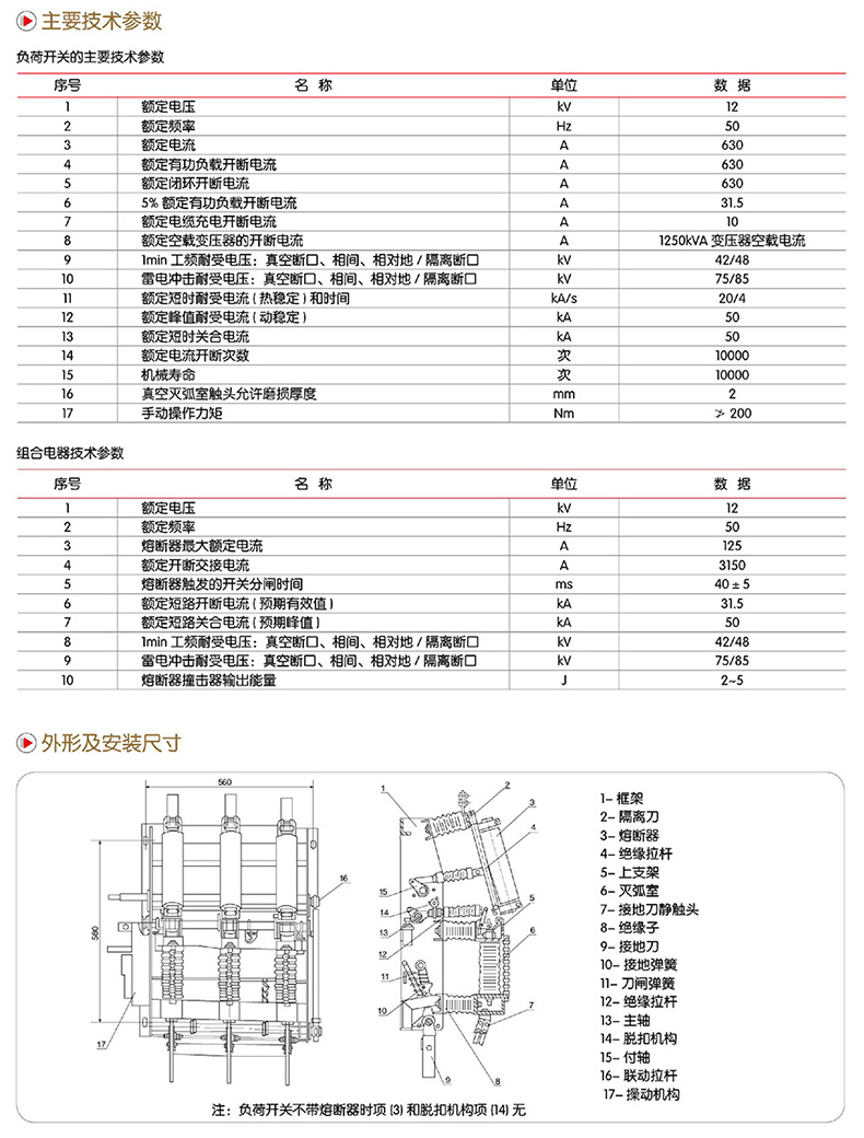
Loading...

FZN21-12D型户内高压交流真空负荷开关

产品描述


概 述


  FZN21-12D型户内高压交流真空负苟开关适用于三相交流50Hz、额定电压12kV的供电网络中,作为开断负荷电流之用。特别适用于无油化、不检修及频繁操作要求的场所。FZRN21-12D型户内高压真空交流负荷开关-熔断器组合电器适用于三相交流50Hz、额定电压12kv的供电网络,无油化、不检修及频繁操作要求的场所。该负荷开关及组合电器具有明显的隔离断口,可配装具有关合能力的接地刀及电动弹簧机构,能够实现远方控制。

型号含义