Loading...
概 述
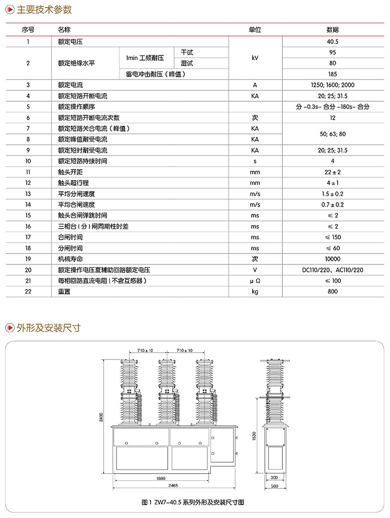
ZW7-40.5型户外高压交流真空断路器是额定电压40.5kV。50Hz三相交流的电流互感器外置式户外配电设备。主要用于配电网开断、关合电力系统中的负荷电流、过载电流及短路电流。适用于变电站及工矿企业配电系统中作保护和控制,适用于农村电网及频繁操作的场所,特别适用于城网、农网改造的需要。
功能特点
1、采用真空灭弧,开断能力强,电寿命长,机械寿命10000次:
2、结构简单,免维护,不检修周期长;
3、绝缘性能好,抗污秽能力强;
4、可配弹簧或电磁操动机构,机械性能可靠,可频繁操作:无火灾和爆炸隐患:
5、内装电流互感器计量精度可达0.2级,或可实现三相差动保护;
6、内附凝露控制器,能保持断路器在一定的温度湿度下可靠运行。
使用环境条件
1、周围空气沮度:上限+4O℃,下限-30℃(一般地区)、-40℃(高寒地区)
2、海拔:≤1000m (若海拔增高.则额定绝缘水平相应提高);
3、风压:不超过700Pa(相当于风速34m/s);
4、地震烈度:不超过8度;
5、污秽等级:Ⅳ级;
6、最大日温差:不超过25℃。
型号含义